XXX煤礦文明施工考核辦法
XXXX煤礦文明施工考核辦法
1. 總則
1.1. 本辦法規定了華亭煤業XXXX煤礦有限公司建設工程現場文明施工檢查、考核管理方麵的內容。
1.2. 本辦法適用於華亭煤業XXXX煤礦有限公司各類建設工程。
1.3. 華亭煤業XXXX煤礦有限公司各部門、施工單位、監理單位和其他有關單位均應遵守本辦法。
2. 主要內容
2.1. 現場文明施工檢查評定標準分保證項目和一般項目(附件1),保證項目包括封閉管理15分,總平麵布置20分,辦公、生活設施15分,現場防火10分,共60分;一般項目包括衛生管理20分,粉塵、噪音管理10分,治安管理10分,共40分;總計100分。保證項目有一項得0分或保證項目小計得分不足40分,該施工現場評定為0分。
2.2. 檢查評定達70分以上的為文明施工合格工地,85分以上為“文明工地”,90分以上可參加創優評選。
2.3. 文明施工的現場檢查納入日常監督範圍,由安全質量檢查部組織實施,對日常監督檢查平均分達85分以上(含85分)的施工現場,由安全質量檢查部向行政主管部門申請頒發“文明工地”標誌牌。
2.4. 現場文明施工實行動態管理,與安全質量監督同步實施,根據檢查結果決定是否保留“文明工地”榮譽稱號。
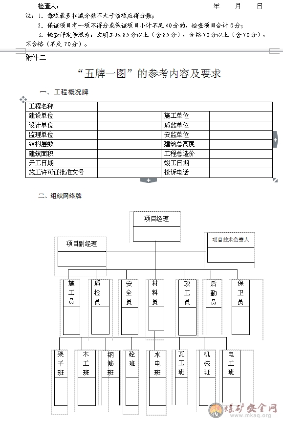
2.5. “五牌一圖”的參考內容及要求見(附件2)。
2.6. 文明施工的大檢查由安全質量檢查部組織,每月進行一次,施工現場的最後得分依據日常監督檢查的平均分數和大檢查的分數按6∶4加權平均,並對檢查情況按以下標準進行考核:
2.6.1.安全管理
對下列安全管理中存在的問題每項/次,處罰200-500元。
2.6.1.1. 未建立安全生產責任製,未執行或無崗位責任製,未配備安監人員或無獎懲規定。
2.6.1.3. 為按規定進行本單位的安全生產例會或無記錄。
2.6.1.5. 不開展安全活動,不進行安全檢查或無記錄台帳。
2.6.1.6. 對項目法人、監理部門開出的整改通知單未能按時進行整改。
2.6.1.7. 對新進人員、分包施工人員不開展安全教育或不進行安規學習考試。
2.6.1.8. 未按規定上報02manbetx.com 報告,月(年)報表。
2.6.1.9. 發生02manbetx.com 及嚴重未遂重大險情沒有及時向安全生產委員會和監理部報告或隱瞞不報。
2.6.2. 腳手架安全管理
對下列腳手架搭設存在的問題處罰100-200元。
2.6.2.2. 大型腳手架無施工方案或未按製度執行。
2.6.2.3. 腳手架搭設後未經驗收、未掛牌、腳手架無欄杆,未按規定設擋腳板、外側未按規定設安全網,腳手架未搭設工作平台。
2.6.2.4. 腳手架超荷載。
2.6.2.5. 搭設腳手架人員未經專業培訓或未持證上崗,搭設時未係安全帶。
2.6.3. 個人勞動保護管理
個人勞動保護或不安全行為發生下列問題處罰50-100元。
2.6.3.1. 不戴安全帽或未係安全帽帶或安全帽不合格。
2.6.3.2. 高空作業未係安全帶或安全帶不合格。
2.6.3.3. 酒後進入施工現場或酒後操作設備。
2.6.3.4. 穿高跟鞋、涼鞋、拖鞋、赤膊、穿短褲、背心、裙子進入施工現場。
2.6.3.5. 高空作業上下拋擲物件或不正確使用工具。
2.6.3.6. 在禁煙區內吸煙或在禁火區域未經批準動火。
2.6.3.7. 起重違反十不吊,焊工違反十不焊。
2.6.3.8. 無作業票進行工作或違章指揮。
2.6.3.9. 未按規定正確使用勞動保護用品。
2.6.4. 現場安全設施管理
現場安全施工無下列安全設施或不齊全處罰200-300元。
2.6.4.1. 孔洞無蓋板、欄杆不齊全、不可靠。
2.6.4.2. 旋轉部分無罩殼或不起作用。
2.6.4.3. 樓梯口、電梯口、予留洞口、坑井、通道口、陽台、樓板、屋麵等沒有遮攔、欄杆、護板、蓋板或不齊全、不可靠或無警告牌。
2.6.4.4. 高空作業未設安全網、保護棚或不合格。
2.6.4.5. 施工結束後電纜溝未及時封堵、電纜溝蓋板不蓋。
2.6.4.6. 夜間作業施工照明亮度不充足而影響施工和安全。
2.6.4.7. 施工現場沒有安全警示牌。
2.6.5. 用電管理
下列用電管理存在問題處罰100-300元。
2.6.5.1. 作業時安全距離不夠又無安全遮攔或措施。
2.6.5.2. 配電箱不符合三級配電兩極保護的要求,未采用三相五線製。
2.6.5.3. 配電箱沒有編號、名稱,進出線固定不好、接線零亂或超負荷。
2.6.5.4. 配電箱違反接線要求或亂用保險。
2.6.5.5. 配電箱內閘具等小設備損壞嚴重,箱外無門或無防雨措施。
2.6.5.6. 不正確使用碘鎢燈或手持220V照明燈,不按規定使用各種電壓等級的行燈。
2.6.5.7. 電源線絕緣不良、亂放地上未架空,電源線固定在金屬物件上、未采用木橫擔。
2.6.5.8. 電動工具、絕緣工具未定期進行試驗或無台帳。
2.6.5.9. 未開工作票進行電氣工作或不合格人員進行電氣工作。
2.6.6. 起重機械管理
下列起重機械管理上的問題處罰200-300元。
2.6.6.1. 起重機械無可靠的安全保護裝置。
2.6.6.2. 無夾軌鉗或不用道軌接地。
2.6.6.3. 主要起吊作業無方案無安全措施,不交底。
2.6.6.4. 司機、起重工無證上崗。
2.6.6.5. 指揮人員無證上崗。
2.6.6.6. 高處作業無信號傳遞或對講機。
2.6.6.7. 每天作業前未按規定檢查,上下爬梯無護圍。
2.6.6.8. 起重物件下有人行走或站立,起重用串接吊法。
2.6.7. 機具、工器具管理
下列機具、工器具管理存在的問題處罰50-100元。
2.6.7.1. 平刨機、圓盤鋸、手持電動工器具、鋼筋機械、攪拌機、潛水泵等無機械保護、電氣保護、無定期試驗、無專人負責、無接地、無漏電保護。
2.6.7.2. 上述工器具停置時,不斷開電源。
2.6.7.3. 電焊機不使用自動開關,電焊線接頭不規範,導線絕緣老化,電焊機無防雨罩。
2.6.7.4. 各種起重工器具無定期試驗,無台帳,無編號或無專人負責。
2.6.7.5. 各類移動梯無防滑、防折措施。
2.6.7.6. 氧氣、乙炔氣瓶附件不完整,無防曬措施,存放不符合要求,間距小於5米,距明火小於10米。
2.6.8. 文明施工管理
文明施工發生下列問題處罰100-300元。
2.6.8.1. 施工現場亂堆亂放設備材料堵塞通道。
2.6.8.2. 高處作業材料工具,亂堆亂放無防墜措施。
2.6.8.3. 施工用水管理不善,隨意跑水。
2.6.8.4. 未經批準在施工現場隨意搭建臨時建築設施。
2.6.8.5. 野蠻施工造成設備護欄或其它設施損壞。
2.6.8.6. 施工項目設備材料無計劃進場,現場存放時間超過三天。
2.6.8.7. 保溫項目、土建項目、攪拌站、施工作業未采取措施造成揚塵和汙染。
2.6.8.8. 施工作業中未做到對現場日日清掃,日日清淨,剩料不及時清走,廢料未及時清除。
2.6.8.9. 在設備物件牆壁上亂塗亂畫。
2.6.8.10. 在施工現場隨地便溺。
2.6.8.11. 各施工責任區有雜物垃圾,地麵存有積水。
2.6.8.12. 電焊線、電源線、氧氣、乙炔帶不按規定布設,亂拉亂扯。
2.6.8.13. 施工用腳手架、摸板、保溫、防雨材料拆除後未碼放整齊整理和及時清運。
2.6.8.14. 設備包裝材料等廢棄物未及時清運回收。
3. 附 則
3.1. 本標準的執行情況由公司安全質量檢查部負責檢查落實,並納入月度經濟責任製進行考核。
3.2. 本辦法的文字解答由公司安全質量檢查部負責。
3.3. 本辦法從下發之日起施行。



    