�й�ú��ȫ���������� ԭ��ҳ����ʱ���� ��ӭ����½�°� �°��ַ//www.dukashe.com
�� ��Ϊ��ҳ|�����ղ�
ú��ȫ��
��վ��ҳ
������ �����ڵ�λ�ã��й�ú��ȫ������>>��������>>��ȫ����>> ����

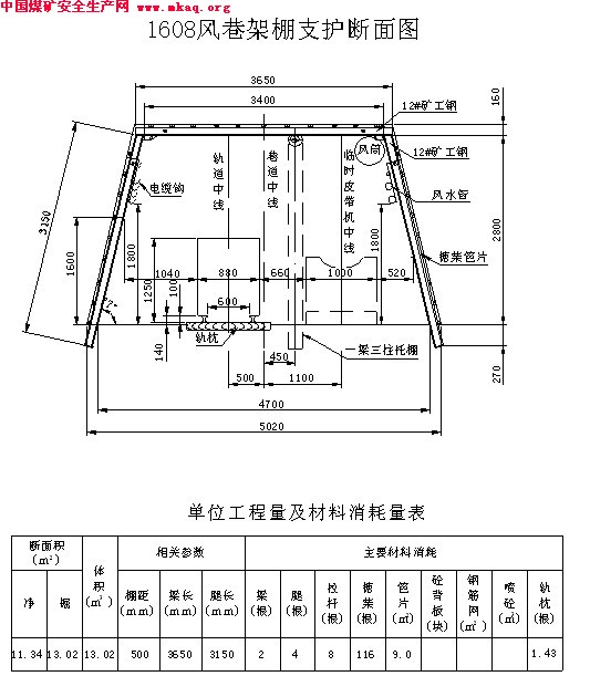
ij���������ҵ���

���ߣ����� ������Դ����վԭ�� �����������ʱ�䣺2010-11-20



























��һҳ[1][2][3][4][5][6][7][8][9]

����¼�룺mkaq ���α༭��mkaq

  • ��һƪ���£�

  • ��һƪ���£�
  • �������������������ղ��������ߺ���������ӡ���������رմ�����

    �������������

    ����ú��1302����ú�۷�����
    1305���۶���ӹ̰�ȫ������
    1305�������������������ҵ
    1301�����������ҵ���
    ��ˮƽ�÷���ˮ�����۰�ȫ��
    ��Ա������¹ʻʵʩ�취
    ú����հ�ȫ���������
    ú��2009�ꡰ��ȫ�������
    ������ϰ�İ�ȫ������ʩ
    ú��������


    baidu
    ������www.dukashe.com
    �����������ȵ�ú��ȫ����
    ��ú���﹫˾��ί����
    ץ����ʵ�� ����ִ���� 6��18��
    ɽ����Դ�ٿ�������ʷΪ�� 6��18��
    ������Դ��彎��Ѧ���һ������ 6��18��
    ������Դ��彎��Ѧ���һ������ 6��18��
    �ն���:��ȫ����Ҫ��ס˵��� 6��18��
    �ն��������ǰ�ȫ�����Ĵ�� 6��18��
    �ն���ά����ˮ��֧��ְ������ʱ 6��18��
    �ն����ܼ��Ź���������ʵ 6��18��
    ����������ҵ ������ɫ�¾�----- 6��18��
    ƽ���е���---��Ա�������Ŀ��� 6��18��
    �����������ȵ㰲ȫ��������
    ú��ȫ���2009��(247400)
    ú������ֲ������(139917)
    ú��֪ʶ�������(107396)
    ú��ȫ��̣�ȫ��(100332)
    ���ݴ�ѧ��������ҵ����ú���(71585)
    125��ú��ȫС֪ʶ(54775)
    ��������������(43696)
    XX����˹������˵����(32254)
    ��ͨ��γ���� ��ҵ�����(22031)
    S3-6β����ʩ����ҵ���(21455)
    �����������Ƽ���ȫ��������
    ú��ȫ���2009��(247400)
    ú��֪ʶ�������(107396)
    ú��ȫ��̣�ȫ��(100332)
    ��������������(43696)
    XX����˹������˵����(32254)
    ú����Υ���綨��׼(15637)
    ú����˹�������������巽��(14456)
    ��ú�����������(11886)
    ͨ��ͼ����ư취(11404)
    �й���ú����( 2.5���������µ���(11322)

    ��Ϊ��ҳ| �����ղ�| ����Ͷ��| ������| ��Ȩ����| �����Ա| ��������| ��ϵվ��

    ���죺�й�ú��ȫ������Э�죺�й���ҵ��ѧ��ȫ����ѧԺͶ�����䣺mkaq.org@163.comQQ:���������ҷ���Ϣ��ҵ�����������ҷ���Ϣ�����ӣ�
    ��Ȩ�����й�ú��ȫ������www.dukashe.com����������ICP��09038974��
    Copyright © 2008-2009 All Rights Reserved

    �������
    ����ͬ��
    ������Ϣ
    �ٱ�����
    Baidu
    map