3#ú�߲���Ƥ�������̿��ʩ����ȫ������ʩ
��������3#ú�߲����ط���ʩ���н�¶һ��̿����λ��H27#�����50.3�ף���ͼ1��Ϊ��֤ʩ����ȫ˳�����У��������°�ȫ��ʩ��
ͼ1�� 3#ú�߲����ط����X5#��̿��ƽ��ͼ
һ��ʩ��������
������������Ԥ�⣺������̿����ʼ��0��������3#ú������ض�������
���� ����̿��֧����
3#ú�߲����ط������̿����֧����ʽΪê�����ִ�������������������������֧����
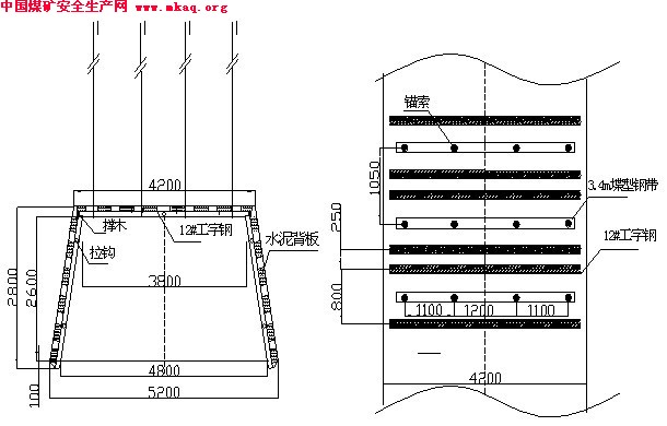
1��֧��ʹ��3.4�����۸ִ�������ê�����м䣨ê���ž�1.05�ף�֧������������1.05�ף������0.8�ף�С���0.25�ף����Ͼ���3.8�ף��¾���4.8�ף�����2.6�ף����0.5�ף�����ˮ��廨�����̡�ÿ����5���������ھ���ͷ10cm������һ����ľ����ľ���Ϊ6cm�����ķ�ľ����������ʹ�õ�ľ���ľ����ľ���1200��200��100 mm 3���Ͻ�ʹ��5cm���µ��ư壬���֧����ͼ2��
ͼ2�����֧��ʾ��ͼ
2����ʱ֧����ʽ��
��1���ܴ�ê��ʱ��HZWA-2600��Ħ����������5��Һѹ��������������ñ���Ϊ600��200��150 mm3 ��ľ��ñ���������1.0m������ʱ��ЬľЬ���300��200��150 mm3��
��2������ǰ̽��֧��������ǰ̽��ʹ�ò����������ҳ��Ȳ�С��3.5m��15kg/m������11#���ָ�˳��ƽ�в��ã�����3��ר��ǰ̽�����̶��ڽ��������ϣ����ݶ������������ǰ̽��������
3��֧�����գ�
��1��������Ϻã����������أ��ܹ���ê��ʱ������ñ��֧�������������á��ڿ����ִ���װλ�ú���ĵط�֧ñ��ά���������ê�ˡ�ê�����ϸִ�����ǰ̽��������������������ͷ���������������֧���ù����������̰
��2�����������������أ������ߣ����ܴ�ê��ʱ������ǰ̽����ʱ֧����
���̶������á���ǰ̽����ǰ̽��һ�����ȣ�����Ͷ����������������������ǰ̽���ϡ���������ͷ�����������ã���40ê����ǰ̽������ǰ̽���̶������������˺����뿨֧Ħ������������������������ȣ��Ϻÿڡ���ù����������̰�����֧����
4��֧�����ϼ��±�

5��֧��Ҫ��
1������úͷ��ҵ���ȼ��úͷ20m��Χ���֧�����������������������ð��ʶ������������ҵ��ê��Ԥ����������160KN�����ϸ��ê���������²���
2������֧��Ϊ���ζ�������֧����ê�����ִ������������������ ˮ��廨�����̡�
3������ʱ֧���ڻ��£��ں����������Ϻÿڣ�Ȼ���������ߣ����̺ö���Ϻ���������ľ�����ˡ���ľ������ȫ�ɿ���
4������Ӧ֧��ʵ���ϣ����Ѳ�С��10cm��
5��ÿ�������ӿ���ʵ�Ϸ죬ӭɽ�о�����ǹ��������߶ԡ����̷��Ϲ漲����ľ��������ȫ��Ч��
6�������������ܽӶ�����ľӦ���ɡ��������Σ�����Ҫ���������Σ��ӵ����ﴹֱ��һֱ�ߡ�����ǰ�ȼ�鶥�壬���������鶥����˹��Ӧ��ר�˹۲춥�壬ѡ����·�����о�����Ϲ��˽��й������Ͻ�������ҵ��ð���߶ȳ���0.5mʱ��Ҫ����ľ���Ϻû���塣
7���ز���������ߣ���������ϸ��߾��ʩ����
����������ҵ
���۲��ð���ͼ���۲���ͼ�ϸ�ִ�У�����Ш���Ͳ۷����۵�Ҫ������һ��ˮƽ���ϣ��Ա�֤�Ϻõı���Ч�����ܱ��۵��۲�����б���£�Ҫ����������������£������ͳ����ѡ���ͼ3��

ͼ3�����۲���ͼ�뱬��˵����
�ġ���ȫ������ʩ
1������ʩ���ص����ɹ������Ϲ��˼�鶥��֧��Χ����������������������������ⷽ��ʩ����
2���ϸ�ִ���ð��ʶ��ƣ��Ͻ��ն���ҵ�����ʱ,ê������������֧��ʱê�������������ͷ��֧��ʱ���������ͷ����־�һ֧һ��
3�������ϸ�ִ�С�һ�����족�͡��������������ƶȡ����ڰ�ú��ֱ��150m�������ﲻ����50m�����������10m�ľ��볷�˵����䣬�������塣
4�����뱣֤úͷ10�����ھ���ͷ1.2m�����ϴ����������������������ǰ�ơ�����֧�����������������������ء�
5������ǰ��ά��������20m��Χ�ڵĵĵ��¹�·�������豸����ֹ���ڱ����豸����¹ʣ����������豸Ҫ�þ�Ƥ�������ڵ�������
6������30���Ӻ����������飬�б���������������������ܷ����κ���ʩ����
7��ʩ����Ա����վ��������֧�ܱ����ص����ó������ߴ�������Σʯ�����������ҵ��
8���ں����30cm�Ĵ����������ͻ����ˣ��ô�������˳���
9�������50m��Ҫ�����С�20cm�����Ȳ�С��3.0��ľ��������������10��������ʱ֧��ʹ�ã�ͬ�����������ﲻ����10�ܡ�
10��ê��Ҫ������鰱���м�¼�����ϸ�Ҫ��ʱ����ê��Ҫ�����ֳ�����������ȣ���֤�ﵽԤ������ê�����ȵĵ���Ҫ��ʱ֪ͨ�����������ಿ����ͬ��ɵ�����
11��ѹ����ʱ�����С��0.8m����������ʱ֧����ͨ����������0.6m��
12�����������Ҫ��ǿ����ͷˮ����˹ӿ����������ļ�⣬�����쳣�����˵Ķ���Ҫֹͣ���������ʱ
[1][2]��һҳ